Vacuum Dryer

Pengenalan

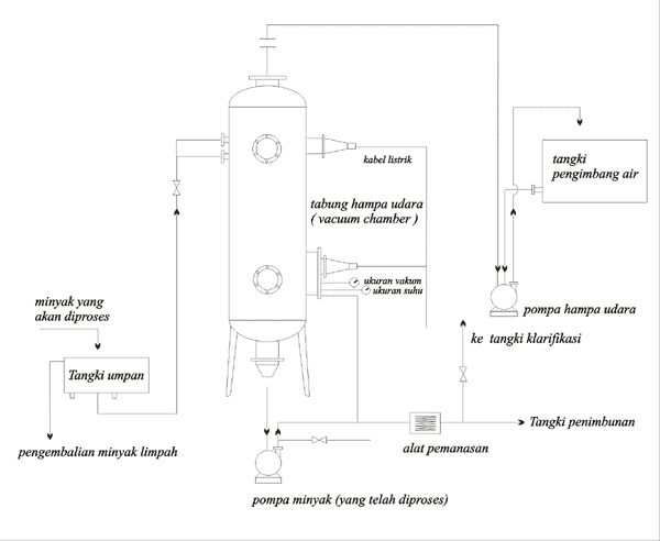
Proses Pengeringan Minyak dengan sistim tabung hampa udara dapat mengurangi kadar air dalam minyak hingga dibawah 0.08 % dengan syarat kondisi minyak yang akan di proses suhu harus stabil 90°C dan kadar air tidak melebihi 0.8 %.

Minyak yang akan diproses dari Purifier di pompa ke dalam tangki umpan (float tank), dalam tangki umpan ini terdapat sebuah pelampung baja berbentuk kumparan tirus (taper spindle) yang berfungsi sebagai katup/kran otomatis menjaga kestabilan hampa didalam tabung pengering secara terus menerus.

Bagian dalam atas tabung hampa udara terdapat (6) enam buah Spray Nozzle yang menyemprotkan minyak pada permukaan pelat deflektor yang berbentuk pilem tipis. Minyak yang keluar dari spray nozzle berbentuk pancaran halus (spray) dan kabut, kemudian jatuh secara gravitasi dan membentur pelat deflektor sehingga terjadi pengkabutan yang kedua kali. Selagi minyak berbentuk kabut kandungan air akan mudah menguap dan disedot keluar oleh Pompa Hampa Udara. Minyak yang telah dikeringkan selanjutnya jatuh ke dasar tabung pengering dan langsung di isap dengan pompa ke tangki pengutipan minyak.

Sebuah level kontrol dihubungkan ke dalam tabung hampa udara berfungsi untuk mengontrol ketinggian level minyak. Minyak yang di umpan ke dalam tabung hampa udara jika kurang dari minyak yang di isap keluar, level kontrol ini otomatis membuka katupnya sehingga minyak re-sirkulasi kembali ke tabung melalui pipa by-pass.

Kerusakan level kontrol dapat berakibatkan level minyak terlalu tinggi dan minyak tidak dapat di umpan ke dalam tabung hampa udara, pada saat ini sakral level kontrol otomatis bekerja untuk menghentikan proses pengeringan sehinggga minyak yang belum di proses ini tidak di isap ke tangki pengutipan minyak.


Specification



Kapasitas Nominal
Kapasitas Isap Pompa Vakum
Kapasitas Pompa Minyak
10 to 12 Ton/Hour/Dried Oil
240 M3/Hour
15 M3/Hour at total head of 40 Meters

Kapasitas Nominal
Kapasitas Isap Pompa Vakum
Kapasitas Pompa Minyak
13 to 15 ton/Hour/Dried Oil
280 M3/Hour
25 M3/Hour at total head of 40 Meters


Perbekalan Material
Tabung Hampa Udara komplit dengan kaca liat, illuminasi listrik Baja lumer
Corot kabut Baja Putih
Pelampung Kontrol level Baja Putih
Tangki umpan Baja lumer
Katup pelampung Baja Putih
Pompa Minyak Badan dari Besi Tuangan
Kipas dari Besi Tuangan
Poros dari Baja Putih
Pompa Vakum Badan dari Besi Tuangan
Kipas dari Besi Tuangan
Poros dari Baja Putih
Meteran Suhu Std
Meteran Vakum Std
Meteran Tekanan Std

The manufacturer reserve the right to modify for alter the design of the machine that seem necessary without prior notice.